
A China colocou em órbita três satélites a partir do Centro de Lançamento de Satélites de Jiuquan a 19 de Novembro de 2025.
O lançamento foi realizado por um foguetão Chang Zheng-2C a partir do Complexo de Lançamento LC43/94 às 0401UTC.
Todas as fases do lançamento decorreram como previsto e os três satélites foram colocados nas órbitas predeterminadas.
A bordo desta missão encontravam-se os satélites Shijian-30A (实践三十号A), Shijian-30B (实践三十号B) e Shijian-30C (实践三十号C). Estes três satélites foram desenvolvidos pela Academia de Ciência e Tecnologia de Xangai SAST, e as suas missões estão relacionados com propósitos da realização de medições do ambiente espacial e tecnologias relacionadas.
O lançador utilizado nesta missão estava equipado com uma carenagem de 4,2 metros de diâmetro. Durante esta missão, a equipa do projecto melhorou ainda mais o aproveitamento do espaço da carenagem, optimizando o layout dos satélites.


O foguetão Chang Zheng-2C
O desaire com o foguetão lançador Chang Zheng-2A levou a uma intervenção política de alto nível por parte das autoridades chinesas em meados dos anos 70. Em resultado, deu-se total prioridade ao controlo de qualidade no desenvolvimento dos componentes dos lançadores. Todos os sistemas eléctricos foram reforçados e realizou-se uma
nova campanha de testes de vibração de componentes chave do veículo no solo que teve uma duração de dez meses. As alterações ao foguetão foram tão importantes que o novo veículo recebeu uma nova designação, o Chang Zheng-2C (长征二号丙).
O desenvolvimento do CZ-2C foi iniciado em 1976 e o seu primeiro lançamento bem sucedido teve lugar a 9 de Setembro de 1982. Em 1987, a este foguetão foi atribuída a distinção “Prémio de Ouro de Qualidade Nacional” e em 1999 foi-lhe atribuído o título de “Veículo Lançador de Combustível Lìquido de Alta Qualidade” pela Corporação Aeroespacial da China.
O foguetão Chang Zheng-2C possui uma elevada fiabilidade e capacidade de actualização contínua. Em dezenas de lançamentos nas últimas décadas, o foguetão concluiu uma série de diferentes tarefas, sendo o primeiro “foguetão medalha de ouro” da China e tem a capacidade de lançar satélites de várias órbitas em múltiplos locais de lançamento.
Este veículo é o lançador chinês por excelência para missões para a órbita terrestre baixa, sendo o foguetão mais utilizado pela China. Para responder às necessidades dos clientes internacionais, a Academia Chinesa de Tecnologia de Foguetões Lançadores desenvolveu um novo estágio superior, o SD (Smart Dispenser), que começou a ser utilizado comercialmente em finais de 1990 e que levou a cabo sete missões bem sucedidas para colocar em órbita satélites da rede Iridium. O foguetão Chang Zheng-2C está disponível em três versões:
a) A versão básica: lançador CZ-2C a dois estágios para missões em órbitas baixas, inferiores a 500 km de altitude, e com uma capacidade de carga de 3.366 kg (altitude de 200 km, inclinação orbital de 63.º em relação ao equador terrestre);
b) A versão de três estágios: lançador CZ-2C/SD, CZ-2C/SMA e o veículo CZ-2C utilizado em Abril de 2004. De acordo com recentes observações, estas versões parecem compartilhar o primeiro e segundo estágio. Comparado com a versão original, o segundo estágio é mais alongado com o primeiro estágio a permanecer com o mesmo comprimento. Pode haver no entanto, m
elhorias nos motores utilizados nestes lançadores. As diferenças nestes veículos situam-se ao nível da utilização ou não de diferentes estágios superiores e que estágios superiores são utilizados. Uma designação alternativa para a versão de três estágios do CZ-2C é “CZ-2C Modelo 2”, denominando “CZ-2C/2” a versão de dois estágios. Estes lançadores são utilizados para colocar satélites em órbitas baixas ou órbitas sincronizadas com o Sol (polares) superiores a 500 km de altitude com uma capacidade de carga de 1.456 kg (altitude de 900 km, polar e sincronizada com o Sol).
c) CZ-2C Modelo 3 ou simplesmente “CZ-2C/III”, foi pela primeira vez utilizada a 29 de Agosto de 2004. Comparada com versões anteriores apresenta um primeiro estágio mais alongado e quatro estabilizadores aerodinâmicos colocados no fundo do primeiro estágio. O seu comprimento total é de 42 metros.
d) CZ-2C/YZ-1S, com o estágio superior Yuanzheng-1S (YZ-1S). Este estágio utiliza o motor YF-50D que tem a capacidade de múltiplas ignições, permitindo assim a colocação de cargas em diferentes órbitas (polar, GEO, MSO, entre outras). Com o estágio YZ-1S o lançador possuí 315,5 segundos adicionais de queima para colocar as cargas nas respectivas órbitas, aumentando a capacidade de carga do CZ-2C em duas toneladas.
O lançador CZ-2C proporciona interfaces mecânicas e eléctricos flexíveis e uma ogiva capaz de ser ajustada no seu comprimento consoante o comprimento do satélite a ser lançado. O ambiente a que o satélite é submetido no lançamento (vibrações, choque, pressão, acústica, aceleração e ambiente térmico), atinge os requisitos comuns no mercado do lançamento comercial de satélites.
Descrição técnica
Sem ter em conta a versão do Cheng Zheng-2C lançada a 29 de Agosto de 2004, as duas configurações deste lançador partilham o primeiro estágio, segundo estágio e carenagem de protecção. O comprimento total do lançador é de 42 metros com um diâmetro de 3,35 metros. Consome tetróxido de azoto e UDMH, desenvolvendo uma força de 2.962 kN no lançamento e tendo uma massa de 233.000 kg.
Na sua versão “Fase 3”, o lançador tem um comprimento de 43 metros, diâmetro de 3,35 metros e uma massa no lançamento de 242.500 kg.
O primeiro estágio tem um comprimento de 26,822 metros, diâmetro de 3,35 metros e uma massa de 183.000 kg (dos quais 173.000 kg são propelente). Está equipado com um motor YF-21C – 2.962 kN ao nível do mar, impulso específico de 2.556 m/s (260.8 s), e um tempo de queima de 147 s (os parâmetros mais recentes do YF-21C são um impulso ao nível do mar de 2992,8 kN e um impulso específico ao nível do mar de 261 s.
O segundo estágio tem 11,307 metros de comprimento, 3,35 metros de diâmetro, 59.000 kg de massa (55.000 kg de massa propelente), estando equipado com um conjunto de motores YF-24C. O motor principal é o YF-22C, com um impulso a vácuo de 742 kN (75,7 t), um impulso específico a vácuo de 2.942 m/s (300,2 s) e um tempo de querima de 140-190 s. O motor auxiliar é o YF-23C, com um impulso a vácuo de 4 × 11,8 kN (1,2 t), um impulso específico a vácuo de 2.834 m/s (289,2 s) e um tempo de queima de 420-650 s.
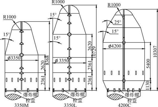
Três tipos de carenagem estão disponíveis para o CZ-2C, nomeadamente 3350M, 3350L e 4200C, que foram desenvolvidos para fornecer diferentes espaços de envelope disponíveis.
A carenagem 3350L é baseada na carenagem 3350M, tendo sido adicionada uma secção de estrutura modular de 2.361 mm de altura à secção da coluna. Ambas são soluções estruturais com revestimento de fibra de vidro, e são adicionados dois conjuntos de parafusos explosivos de separação longitudinal. A carenagem 4200C é desenvolvida combinando a secção cónica frontal, a secção da coluna da carenagem do foguetão CZ-3B e a secção cónica invertida da carenagem do foguetão CZ-2F. A secção da coluna, com 5.400 mm de altura, corresponde ao comprimento máximo disponível da caixa de embalagem de transporte ferroviário da carenagem atual. A primeira carenagem parcialmente saliente com formato especial da China foi também desenvolvida para adaptar o espaço de expansão local preciso para satélites especiais.
Actualmente, está em utilização a “Fase 3” deste lançador. A “Fase 1” constituiu o modelo original, utilizando motores YF-21B e YF-24F, com capacidade de 2.600 kg para a órbita terrestre baixa, utilizado para lançar satélites recuperáveis chineses dos tipos FSW-0 e FSW-1 (ambos na plataforma FSW-1). Após alguns anos de serviço, o CZ-2C Ph. 1 não conseguiu lançar os satélites mais recentes da plataforma FSW-2, sendo substituído pelo “CZ-2D F.1” até ao lançamento do “CZ-2C F.2”.
O “CZ-2C F.2” foi um modelo intermédio, estando equipado com um depósito maior e totalmente equipado com motores da série YF-20B. A sua capacidade de carga era 3.800 kg para uma órbita terrestre baixa a um ângulo médio e 4.000 kg para uma órbita terrestre baixa a um ângulo baixo, substituindo basicamente o “Chang Zheng-2D F.1”. Este submodelo com estágio superior realizou várias missões de lançamento comerciais.
O foguetão de configuração “CZ-2C F.2/FP” baseiou-se no modelo básico de dois estágios, com um estágio superior de combustível sólido estabilizado em três eixos espaciais com uma carga de 100 kg. Este, consiste num motor de mudança de órbita de combustível sólido, motor de controlo de atitude, estrutura, sistemas de controlo e medição, sendo o primeiro foguetão sólido de estágio superior da China. A capacidade de transporte de 700 km de SSO foi aumentada de 960 kg no estado de dois estágios para 1.900 kg. De 1997 a 1999, esta configuração lançou com sucesso duas cargas úteis Iridium simuladas e 12 satélites reais em sequência, sob a forma de rotação paralela e separação de dois satélites num único foguetão.
A configuração “CZ-2C F.2/SM” baseia-se no modelo básico de dois estágios, com um estágio superior de conbustível sólido adicional com grande impulso e carga da classe tonelada. A secção de trabalho do motor do estágio superior sólido do SM adopta um modo estabilizado por rotação. A capacidade de carga do GTO é de 1.300 kg.
A Fase 3 do Chang Zheng-2C
Actualmente, o Chang Zheng-2C é utilizado na sua “Fase 3”. Nesta iteração do lançador, o tamanho do tanque não é significativamente diferente do “CZ-2C F.2” e está equipado com motores da série YF-20C. A capacidade para uma órbita terrestre baixa é de 4700 kg. O CZ-2C F.3 e o CZ-2D F.2 são os principais veículos de lançamento de médio porte da China.
O estágio superior do lançador “CZ-2C F.3/SMA” foi desenvolvido e melhorado com base no estágio superior do FP. É o primeiro projecto de estrutura de série de suporte interno da China, e o sistema eléctrico também foi totalmente atualizado. Em Setembro de 2008, Outubro de 2010 e Julho de 2018, lançou com sucesso os satélites HJ-1A/1B, Shijian-9A/B e os satélites de deteção remota paquistaneses PRSS-1/PAKTES-1A, utilizando três vezes o método “dois satélites num foguetão”.
Após a combinação do estágio superior YZ-1 com o foguetão CZ-3B/3C para lançar múltiplos grupos de satélites geoposicionamento MEO e IGSO BeiDou, foi adaptado às características da missão para a órbita terrestre baixa para formar o estágio superior YZ-1S (tipo comercial), que também pode realizar missões de lançamento em órbita alta para pequenas cargas úteis.
O foguetão “CZ-2C F.3/YZ-1S”, formado pela combinação do estágio superior YZ-1S e do foguetão CZ-2C F.3, tem uma capacidade de transporte em órbita sincronizada com o Sol a 700 km de 2500 kg e uma capacidade de transporte em órbita geossincronizada de 1.000 kg. Tem a capacidade de lançar múltiplos satélites com um único foguetão e implantar constelações. A configuração CZ-2C F.3/YZ-1S possui as características de forte adaptabilidade à missão, ampla cobertura de capacidade de transporte, elevado grau de produção numa só máquina e elevada fiabilidade do sistema.
A capacidade de carga do CZ-2C F.3/YZ-1S cobre totalmente a configuração CZ-2C F.3/SMA e basicamente a configuração CZ-2C F.2/SM. Os atuais foguetões da série CZ-2C oferecem principalmente as configurações CZ-2C F.3 e CZ-2C F.3/YZ-1S de dois estágios.
No lançamento do CZ-2C F.3/YZ-1S, a missão do YZ-1S é mais semelhante à de três fases do Chang Zheng-4C. Quando ocorre a separação estágio-foguetão, a combinação estágio superior-satélite está em voo suborbital. Para os YZ-1 e YZ-1A comuns, a separação estágio-foguetão ocorre geralmente em órbita fechada (o estágio superior só funcionará após entrar em órbita).
O sistema do CZ-2C é composto pela estrutura do foguetão lançador, sistema de propulsão, sistema de controlo, sistema de telemetria, sistema de rastreio e segurança, sistema de controlo de atitude, sistema de separação, etc.
| Lançamento | Veículo | Data | Hora (UTC) | Local Lançamento | Carga |
| 2024-007 | Y30 | 09/Jan/24 | 07:03 | Xichang, LC3 | Aiyinsitan Tanzhen |
| 2024-023 | Y85 | 02/Fev/24 | 23:37 | Xichang, LC3 | GeeSAT-1 10 / Jili-1 Group-2 01
GeeSAT-1 11 / Jili-1 Group-2 02 GeeSAT-1 12 / Jili-1 Group-2 03 GeeSAT-1 13 / Jili-1 Group-2 04 GeeSAT-1 14 / Jili-1 Group-2 05 GeeSAT-1 15 / Jili-1 Group-2 06 GeeSAT-1 16 / Jili-1 Group-2 07 GeeSAT-1 17 / Jili-1 Group-2 08 GeeSAT-1 18 / Jili-1 Group-2 09 GeeSAT-1 19 / Jili-1 Group-2 10 GeeSAT-1 20 / Jili-1 Group-2 11 |
| 2024-048 | Y67/Y19 | 13/Mar/24 | 12:51 | Xichang, LC3 | DRO-A
DRO-B |
| 2024-116 | Y50 | 22/Jun/24 | 07:00 | Xichang, LC3 | Zhongfa Tianwen Weixing SVOM
CATCH-1 |
| 2024-190 | Y82 | 23/Out/24 | 01:09 | Xichang, LC3 | Yaogan-43 03A
Yaogan-43 03B Yaogan-43 03C |
| 2024-203 | Y59 | 09/Nov/24 | 03:39 | Jiuquan, LC43/94 | Hongtu-2 01
Hongtu-2 02 Hongtu-2 03 Hongtu-2 04 |
| 2024-218 | Y83 | 24/Nov/24 | 23:39 | Jiuquan, LC43/94 | Siwei Gaojing-2 03
Siwei Gaojing-2 04 |
| 2025-040 | Y78 | 27/Fev/25 | 07:08 | Jiuquan, LC43/94 | Siwei Gaojing-1 03
Siwei Gaojing-1 04 |
| 2025-209 | Y87?/Y19? | 16/Set/25 | 01:07 | Jiuquan, LC43/94 | Hulianwang Jishu Shiyan Weixing (x4) |
| 2025-266 | Y88? | 19/Nov/25 | 04:01 | Jiuquan, LC43/94 | Shijian-30A
Shijian-30B Shijian-30C |
A estrutura do foguetão actua de forma a suportar as várias cargas internas e externas no lançador durante o transporte, elevação (colocação na plataforma de lançamento) e voo. A estrutura do foguetão também combina todos os subsistemas em conjunto. A estrutura do foguetão é composta pelo primeiro estágio, segundo estágio e carenagem de protecção. O primeiro estágio inclui a secção inter-estágio, tanque de oxidante, secção inter-tanque, tanque de combustível, secção de trânsito posterior, secção posterior, sistema de alimentação de propolente, etc. O segundo estágio inclui o adaptador do veículo lançador, secção de equipamento, tanque de oxidante, secção inter-tanque, tanque de combustível, sistema de alimentação de combustível, etc. o adaptador do veículo lançador liga a carga com o segundo estágio do lançador e deriva as cargas entre eles. Para o CZ-2C são fornecidos os adaptadores internacionais 937B e 1194A. A carenagem de protecção, com duas metades, é composta por uma secção abobadada, pela secção cónica frontal e secção cilíndrica.
O sistema de propulsão, incluindo motores e sistema de fornecimento / pressurização, gera a força dianteira e de controlo necessária para o voo. O primeiro estágio e o segundo estágio, utilizam propelentes armazenáveis, isto é tetróxido de azoto (N2O4) e dimetil hidrazina assimétrica (UDMH). Os tanques de propolente são pressurizados pelos sistemas de propulsão regenerativos. Existem quatro motores em paralelo no primeiro estágio. Os motores podem ser orientados em direcções tangenciais. A força de cada motor é de 740,4 kN e a força total desenvolvida é de 2.961,6 kN. Existe um motor principal e quatro motores vernier no segundo estágio, desenvolvendo uma força total de 798,1 kN. O CTS utiliza um motor de combustível sólido como motor principal e um sistema de controlo de reacção para ajustamentos de atitude. Nas páginas seguintes são mostrados os diagramas esquemáticos dos sistemas de propulsão do primeiro e do segundo estágio.
O sistema de controlo é utilizado para manter a estabilidade do voo do lançador e para levar a cabo a navegação e / ou orientação segundo o programa de voo pré-estabelecido. O sistema de controlo consiste de uma unidade de orientação, sistema de controlo de atitude, sequenciador, distribuição de energia, etc.
A unidade de orientação fornece dados de movimento e de atitude do lançador e controla o voo tendo em conta a trajectória predeterminada. O sistema de controlo de atitude controla a atitude de voo para garantir a estabilização e a atitude de injecção ao satélite a colocar em órbita. Para a configuração de dois estágios do Chang Zheng-2C, o sistema de controlo reorienta o CZ-2C após o final da queima dos motores vernier do segundo estágio. O lançador pode induzir uma rotação no satélite de acordo com os requerimentos do utilizador. A rotação pode atingir as 10 rpm. O sequenciador e o distribuidor de energia fornecem a energia eléctrica ao sistema de controlo, sendo também utilizada para iniciar os sistemas pirotécnicos e para gerar os sinais temporais para determinados eventos.
O sistema de telemetria funciona para medir e transmitir alguns parâmetros dos sistemas do lançador. O sistema de telemetria consiste de dois segmentos: sistemas de bordo e sistemas no solo. Os sistemas de bordo incluem sensores / conversores, dispositivos intermédios, bateria, distribuidores de energia, transmissores, sinalizador de rádio, etc. O sistema no solo está equipado com antenas, modem, gravador e processador de dados. O sistema de telemetria fornece os dados iniciais de injecção e gravação em tempo real aos dados de telemetria. No total, cerca de 300 parâmetros estão disponíveis para o CZ-2C. O CTS tem o seu próprio sistema de telemetria.
O sistema de rastreio e de segurança trabalha em conjunto com as estações terrestres para medir a trajectória e os parâmetros de injecção orbital finais. O sistema também fornece informação para meios de segurança. A auto-destruição do foguetão lançador pode ser levada a cabo de forma remota ou manual caso ocorresse alguma anomalia em voo. O desenho da medição de trajectória e de segurança são integrados em conjunto.
Durante a fase de voo do Chang Zheng-2C existem três eventos de separação: a separação entre o primeiro e o segundo estágio, a separação da carenagem e a separação entre a carga e o segundo estágio; Separação entre o primeiro e o segundo estágio – a separação entre o primeiro e o segundo estágio é uma separação a quente, isto é o segundo estágio entra em ignição em primeiro lugar e depois o primeiro estágio é separado com a força dos gases de exaustão após o accionamento de 12 parafusos explosivos; Separação da carenagem – durante a separação da carenagem, os 8 parafusos explosivos que ligam a carenagem e o segundo estágio são accionados em primeiro lugar e depois 12 parafusos que seguram as duas metades da carenagem são accionados 10 ms mais tarde, separando-a longitudinalmente. A carenagem volta-se para fora apoiada em dobradiças devido à força exercida por molas; Separação entre a carga e o segundo estágio – após o final da queima dos motores vernier, o conjunto é orientado para a atitude requerida. A carga está geralmente fixa com o lançador ao longo de uma banda de fixação ou com dispositivos explosivos não contaminantes. Após a separação, a carga é empurrada pela acção de molas. A velocidade de separação é de entre 0,5 m/s a 0,9 m/s.
Para o lançador CZ-2C/CTS existem uma separação entre o satélite e o CTS após a separação deste conjunto do segundo estágio: Separação entre a carga e o CTS – Tipicamente, os satélites estão ligados ao CTS por parafusos explosivos e molas de separação. Após o final da queima do CTS, os parafusos explosivos são detonados, libertando a carga que é empurrada pelas molas de separação.
O CTS é um estágio superior compatível com o foguetão Chang Zheng-2C. O CTS consiste num adaptador de carga e num sistema de manobra orbital. O CZ-2C/CTS pode lançar satélites para órbitas terrestres baixas superiores a 500 km de altitude ou para órbitas sincronizadas com o Sol.
O conjunto é colocado em órbita pelos estágios inferiores do CZ-2C (apogeu entre 400 km e 2.000 km de altitude, perigeu a 200 km de altitude). O CTS entra então em ignição no apogeu e reorienta o conjunto segundo os requisitos da missão, procedendo à separação da carga em seguida. O CTS é capaz de se retirar de órbita após a separação da sua carga.
O adaptador de carga funciona para instalar e transportar os satélites. O conjunto CZ-2C/CTS fornece um adaptador de carga específico segundo os requisitos do utilizador.
O sistema de separação do CTS pode separar a carga após a inserção na órbita desejada. O sistema de separação será desenhado para cumprir os requisitos do cliente na velocidade de separação, direcção de separação e níveis angulares, etc. A carga é geralmente ligada ao CTS através de unidades explosivas de fraca intensidade. A mola de separação fornece a velocidade relativa. Os parafusos explosivos podem ser fornecidos pelo fabricante do satélite ou pela Academia Chinesa de Tecnologia de Foguetões Lançadores.
O sistema de manobra orbital do CTS consiste na sua estrutura principal, motor de propulsão sólida, sistema de controlo, sistema de controlo a reacção e sistema de telemetria. A estrutura principal é composta por um painel central, estrutura de suporte de cargas e longarina. A parte inferior do painel está ligada ao motor de propulsão sólida e a parte superior está ligada com o suporte de cargas, formando um painel de apoio para os sistemas aviónicos. O cilindro tem uma forma estrutural de semi-monocoque. O motor de propulsão sólida fornece a força para as manobras do CTS. O impulso total do motor vai depender dos requerimentos específicos de cada missão. As características típicas estão referidas na seguinte tabela.
O CTS está equipado com um sistema de controlo independente que tem as seguintes funções: manter a estabilização do voo durante a fase de deriva e proporciona a orientação do conjunto para a atitude de queima do motor de propulsão sólida; activar o motor de propulsão sólida e controlar a atitude durante a queima; levar a cabo a correcção de velocidade terminal segundo os requisitos da missão; reorientar o conjunto e separar os veículos; e ajustar a orientação do CTS e iniciar a remoção de órbita. O sistema independente de telemetria funciona para medir e transmitir alguns parâmetros ambientais do CTS no solo e durante o voo. A telemetria também fornece alguns dados orbitais na separação da carga. O sistema de controlo de reacção executa os comandos do sistema de controlo. Os motores utilizam hidrazina pressurizada controlada por válvulas solenóides. Existem quatro tanques, dois tanques de gás e 16 motores.
O sistema de coordenadas do foguetão lançador (OXYZ) tem origem no centro de massa instantâneo do veículo, isto é no centro de massa integrado da combinação carga / veículo lançador, incluindo o adaptador, propelentes e carenagem, etc., caso seja aplicável. O eixo OX coincide com o eixo longitudinal do foguetão. O eixo OY é perpendicular ao eixo OX e está no interior do plano de lançamento oposto ao azimute de lançamento. Os eixos OX, OY e OZ formam um sistema ortogonal que segue a regra da mão direita.
O fabricante do satélite define o sistema de coordenadas do satélite. A relação ou orientação entre o veículo lançador e os sistemas do satélite serão determinados ao longo da coordenação técnica para projectos específicos.
Missões que podem ser realizadas pelo CZ-2C
O foguetão Chang Zheng-2C é um veículo capaz de colocar cargas em órbitas terrestres baixas com uma capacidade de lançamento de 3.366 kg (para uma órbita a uma altitude de 200 km e uma inclinação de 63º). Adaptado com estágios superiores distintos, o CZ-2C pode levar a cabo várias missões: Injectar cargas em órbitas terrestres baixas, que é a principal missão do CZ-2C de dois estágios; Colocar cargas em órbitas terrestres baixas ou sincronizadas com o Sol, caso esteja equipado com o CTS.
A tabela seguinte mostra as especificações típicas para várias missões que podem ser levadas a cabo pelo foguetão CZ-2C Chang Zheng-2C.

Performance do CZ-2C
O foguetão CZ-2C Chang Zheng-2C de dois estágios é principalmente utilizado para levar a cabo missões destinadas à órbita terrestre baixa (altitude inferior a 500 km) e o Chang Zheng-2C/CTS é utilizado para colocar cargas em órbitas circulares em altitudes iguais ou superiores a 500 km, ou para missões em órbitas sincronizadas com o Sol.
O CZ-2C pode ser lançado desde o Centro de Lançamento de Satélites de Jiuquan (base principal), podendo também ser lançado desde o Centro de Lançamento de Satélites de Xichang e do Centro de Lançamento de Satélites de Taiyuan.
O quadro seguinte mostra a sequência de voo típica para o Chang Zheng-2C (também para a versão CTS).



O Centro de Lançamento de Satélites de Jiuquan
Criado em 1960, no alvorecer da Era Espacial, o Centro de Lançamento de Satélites de Jiuquan (酒泉卫星发射中心 – Jiǔquán Wèixīng Fāshè Zhōngxīn) está localizado no noroeste da China, a cerca de 150 km a Sul da fronteira entre a China e a Mongólia.
O centro foi construído para apoiar o teste de mísseis balísticos da China e em Abril de 1970, um míssil balístico de alcance intermediário modificado lançado a partir de Jiuquan colocou em órbita o primeiro satélite artificial da China, o Dongfanghong-1. Desde então, Jiuquan tem sido usado para lançamentos orbitais da China para a órbita terrestre baixa, principalmente para satélites de observação da Terra e de reconhecimento militar.
O centro consiste numa série de plataformas de lançamento na Mongólia Interior e várias zonas de impacto alvo nas províncias vizinhas de Gansu e Xinjiang, cobrindo uma área total de 2.800 km2. A área de lançamentos, localizada no Condado de Ejin-Banner, parte da Liga de Alashan da Região Autónoma da Mongólia Interior, inclui uma base residencial principal (Zona 10), vários complexos de lançamento, áreas técnicas e instalações de instrumentação espalhadas por de 50 km ao longo do rio Ruoshui, na borda ocidental do deserto de Badain Jaran. A região tem um clima tipicamente interior, principalmente seco e ensolarado, mas frio no Inverno, com uma temperatura média anual de 8,7 ° C. Existem cerca de 260 a 300 dias por ano adequados para actividades de lançamento espacial.
Durante a Guerra Fria, a Base 20 foi identificada pelos serviços secretos Ocidentais como o “Centro Espacial e de Testes de Mísseis Shuang Cheng Tzu”. Nos anos 80, o centro foi parcialmente desclassificado e abriu sua porta para visitantes estrangeiros. Como resultado, tornou-se oficialmente conhecido como o Centro de Lançamento de Satélites de Jiuquan, em homenagem a uma pequena cidade a 200 km de distância, na vizinha Província de Gansu. Isto, e tal como aconteceu com Baikonur, causou alguma confusão, já que o centro de lançamento não está realmente situado dentro da jurisdição da cidade de Jiuquan. É possível que esse engano tenha sido uma tentativa deliberada de disfarçar sua verdadeira localização. O centro continua a ser uma instalação militar, conhecida como a 20.ª Base de Testes e Treino na sua designação militar.
O centro de lançamento operou um único local de lançamento conhecido como “Complexo de Lançamento 3” até 1966, quando o novo “Complexo de Lançamento 2” (Zona de Lançamentos Norte) ficou operacional. O local de lançamento tornou-se o principal centro de lançamento de mísseis e espaciais da China desde o início dos anos 70, tendo levado a cabo uma série de testes de mísseis balísticos intercontinentais e actividades de lançamento de satélites. Este local de lançamento foi desactivado em 1996 após 30 anos de serviço e três anos depois, um novo local de lançamento (Zona de Lançamentos Sul) foi comissionado em 1999 para apoiar os lançamentos dos veículos tripulados Shenzhou. Uma segunda plataforma de lançamento para missões de lançamento de satélites não tripulados foi adicionada em 2003. Mais instalações de lançamento para lançadores de combustível sólido foram adicionadas por volta de 2012.
O Complexo de Lançamento 3 (三号 发射 阵地) foi a primeira instalação de lançamento permanente em Jiuquan. O complexo de lançamento consistia em duas plataformas de lançamento de betão armado, com uma escala no solo para medir a quantidade de propulsor adicionado ao míssil. Não havia torre umbilical nas plataformas de lançamento. Os mísseis eram transportados para a sua posição de lançamento em veículos rebocados por camiões, que também servia como suporte de lançamento. O complexo de lançamento tornou-se operacional em 1960 para apoiar o teste de mísseis balísticos de curto e médio alcance, e foi desactivado no final dos anos 1960.

A Zona de Lançamentos Norte, também conhecida como Complexo de Lançamento 2 (二号发射 阵地), foi construída na década de 1960 para apoiar o teste de mísseis balísticos de alcance intermédio a intercontinental e lançamento de satélites. O complexo de lançamento consistia em duas plataformas de lançamento (“5020” e “138”), uma torre de serviço móvel e uma sala de controlo subterrânea. O processamento de veículos e a sua verificação eram levados a cabo na área técnica norte (Zona 7) localizada a 22 quilómetros a Sul do complexo de lançamento. O local de lançamento foi desactivado em 1996 e desde então tornou-se uma atracção turística.
A Plataforma de Lançamento 5020 (também designada LC2A) foi activada em Dezembro de 1966 para ser utilizada pelo míssil balístico de alcance intermédio DF-4 Dongfeng-4 e pelo foguetão CZ-1 Chang Zheng-1. A plataforma tem uma torre umbilical fixa com seis pares de braços oscilantes, que serviram como plataformas operacionais para permitir o acesso ao veículo lançador, e também forneciam energia, gases e propelentes para o veículo e para a carga útil. Os braços oscilantes eram recolhidos segundos antes do lançamento. O lançador era montado numa mesa de lançamento de aço, abaixo da qual existia buraco de terra arredondado que levava ao deflector de chamas de cimento armado. Durante o lançamento, a exaustão dos gases do veículo de lançamento era conduzida para o deflector que se encontrava cheio de água e era direccionada para longe do veículo para o ar livre. O primeiro lançamento desta plataforma foi realizado a 26 de Dezembro de 1966 e o último lançamento em 21 de Maio de 1980.
A Plataforma de Lançamento 138 (LC2B) foi adicionada ao Complexo e Lançamento 2 em 1970 para suportar os veículos de lançamento mais pesados DF-5 Dongfang-5, CZ-2C Chang Zheng-2C e CZ-2D Chang Zheng-2. A torre umbilical tinha 45 metros de altura e 7,8 metros de largura. A torre era equipada com um elevador com capacidade de carga de 1 tonelada e possuía 5 andares de plataformas rotativas, além de 2 andares de plataformas móveis que permitiam o acesso ao lançador. Estava equipada com um sistema de verificação do lançador semiautomático e um sistema de abastecimento de propelente totalmente automatizado. O primeiro lançamento desta plataforma foi realizado a 10 de Setembro de 1971 e o último lançamento em 20 de Outubro de 1996.
A torre de serviço móvel fornece uma plataforma operacional para montagem de foguetões e integração dos satélites. O corpo da torre é uma estrutura de aço de 11 andares com 55,23 metros de altura, 30,52 metros de comprimento e 20,9 metros de largura. A torre está equipada com uma ponte rolante com capacidade de elevação de 15 toneladas no gancho primário e 5 toneladas no gancho secundário. Existiam dois elevadores com capacidade de elevação de 500 kg nos dois lados da torre. Existiam seis andares na plataforma operacional no corpo da torre. O processamento de satélites era feito numa “sala limpa” localizada de 29 metros a 42 metros dentro do corpo da torre.

O centro de controle de lançamento subterrâneo era responsável por monitorizar e controlar remotamente a montagem do veículo de lançamento e dos satélites, coordenando as comunicações entre o complexo de lançamento e a área técnica, a previsão do tempo e a assistência médica. Consistia numa sala de tiro, três salas de teste de satélites e duas salas de teste de veículos lançadores, apoiadas por fonte de alimentação, sistema de ar condicionado e sistema de comunicação.
O Centro Técnico Norte (Zona 7), localizado a 22 quilómetros a Sul do local de lançamento, era a área de lançamento e processamento de foguetes e satélites. Os veículos lançadores e satélites eram transportados a partir dos seus locais de fabrico para o centro técnico via caminho-de-ferro. Depois de concluído o processamento inicial, os diferentes estágios dos lançadores eram transportadas em reboques rebocados por camião até à plataforma de lançamento, onde eram içadas para a posição na plataforma de lançamento, verificados e abastecidas.
A estrutura central do centro técnico era o complexo de processamento de veículos de lançamento e de cargas espaciais. O edifício consistia numa sala de processamento de 90 x 8 metros para preparação dos foguetões e satélites e uma sala de processamento de 24 x 8 metros para abastecimento de satélites. Havia também uma sala limpa para testes dos satélites. Os estágios dos lançadores e os satélites eram transportados para o edifício através de uma linha férrea dedicada. Um segundo edifício no centro era o Edifício de Verificação e Processamento de Motores de Propulsão Sólida, onde os motores de prepolente sólido nos satélites eram preparados.
A Zona de Lançamentos Sul é actualmente o único complexo de lançamento activo em Jiuquan. É composto por duas plataformas de lançamento (“921” e “603”) no Complexo de Lançamento LC43 e um centro técnico para processamento e verificação.

A Plataforma de Lançamento 91 (SLS-1), também conhecida como “Plataforma Shenzhou”, ou Plataforma 921, (Longitude: 100 ° 17.4’E; Latitude: 40 ° 57.4’N; Elevação acima do nível do mar: 1.073 m) é a principal plataforma de lançamento. A plataforma de lançamento é dedicada ao lançamento das missões do programa espacial tripulado utilizando o veículo de lançamento CZ-2F Chang Zheng-2F. As instalações da plataforma de lançamento incluem uma torre umbilical, uma plataforma de lançamento móvel, um par de condutas de chamas, uma sala de equipamentos subterrâneos, armazéns de propulsores e oxidantes, sistema de abastecimento de foguetes, fonte de alimentação, fornecimento de gás e sistema de comunicação.

A torre umbilical é uma estrutura de aço com 11 andares e 75 metros de altura, projectada para fornecer a carga de propelente e drenagem, gás, energia e ligações de comunicação para o veículo lançador e para a sua carga. Na torre existem instalações para verificações antes do lançamento, entrada da tripulação e saída de emergência. A torre está equipada com um guindaste de carga, um elevador de carga e um elevador à prova de explosão para a tripulação em caso de emergência. Em caso de emergência, um sistema de escape de lona está disponível para os astronautas saírem da plataforma de lançamento. A fonte de alimentação e outros equipamentos de suporte estão localizados dentro de uma sala subterrânea por debaixo da torre umbilical.
A torre umbilical é composta por uma estrutura fixa e um par de plataformas giratórias de seis andares. Uma vez chegado à plataforma de lançamento, as plataformas giratórias são deslocadas para “abraçar” o foguetão e assim permitir que os procedimentos de abastecimento e verificações finais sejam conduzidas. A torre também contém uma área ambientalmente controlada e protegida para os astronautas entrarem na cápsula espacial. As plataformas rotativas são abertas uma hora antes do lançamento. Quatro braços oscilantes fornecem conexões para electricidade, gases e fluidos ao lançador e são recolhidos alguns minutos antes do lançamento.
Durante o lançamento, as chamas e a exaustão de alta temperatura dos motores do foguetão são direccionadas para a vala de chamas de betão armado através de um grande buraco redondo sob a plataforma de lançamento móvel. As chamas e gases são então desviados do veículo de lançamento através de dois canais de chama rectangulares localizados em ambos os lados da plataforma de lançamento.
A plataforma de lançamento móvel transporta o foguetão desde o edifício de integração e montagem de veículos situado na área técnica até a torre umbilical. A plataforma tem 24,4 metros de comprimento, 21,7 metros de largura e 8,34 metros de altura, e pesa 750 t. Move-se em carris de 20 metros de largura a uma velocidade máxima de 25 m/min, com uma taxa de aceleração inferior a 0,2 m/s. A plataforma demora 60 minutos para completar a viagem de 1.500 metros entre o edifício de montagem e a plataforma de lançamento.
A Plataforma de Lançamento 94 (SLS-2), também conhecido como “Plataforma Jianbing” (ou Plataforma 603), foi comissionada em 2003 para suportar lançamentos de satélites não tripulados para a órbita terrestre baixa usando os veículos de lançamento CZ-2C, CZ-2D e CZ-4B Chang Zheng-4B. As instalações da plataforma incluem uma torre umbilical de betão armado e um único canal de chamas. A plataforma adoptou um método de lançamento tradicional, onde o veículo de lançamento é montado verticalmente usando um guindaste para içar cada estágio. O veículo de lançamento é verificado na vertical, abastecido e, posteriormente, lançado.

As instalações de apoio da Zona de Lançamentos Sul, colectivamente conhecidas como Centro Técnico Sul, incluem o Edifício de Processamento Horizontal de Veículos de Lançamento (BL1), o Edifício de Montagem Vertical de Veículos de Lançamento (BLS), o Edifício de Operações Não Perigosas (BS2), o Edifício de Operações Perigosas de Veículos Tripulados (BS3) , Edifício de Verificação e Processamento de Motores de Propelente Sólido (BM), o Edifício de Processamento e Armazenamento de Pirotecnia (BP1, BP2) e o Centro de Controle de Lançamento (LCC). A instalação foi projectada para receber o foguetão lançador e a sua carga útil para montagem e testes, antes de serem movidos para a plataforma de lançamento.
Para uma missão dos veículos tripulados Shenzhou, a campanha de lançamento geralmente começa aproximadamente dois meses antes do lançamento. O veículo de lançamento CZ-2F é transportado em segmentos separados desde as Instalações 211 em Pequim até o Centro Técnico Sul via caminho-de-ferro. Após a sua chegada, o veículo é mantido no Edifício de Processamento Horizontal do Veículo de Lançamento para testes iniciais e preparação. O núcleo do veículo e os propulsores laterais são então montados dentro do BLS (o Edifício de Montagem Vertical).
A cápsula Shenzhou é transportada de Pequim para a Base Aérea de Dingxin por um avião de carga, e depois transportada por estrada até o local de lançamento, a 76 km de distância. A cápsula espacial é então integrada e testada no Edifício de Operação Não Perigosa de Naves Espaciais (BS2) e, em seguida, movida para o Edifício de Operação Perigosa de Veículos Tripulados (BS3) para abastecimento de combustível. O próximo passo é integrar a cápsula com a carenagem de carga e instalar a torre de escape emergência. A cápsula é então transportada para o BLS, onde é integrada no seu foguetão.
O edifício de integração vertical, oficialmente conhecido como o Edifício de Montagem Vertical do Veículo de Lançamento (BLS) serve como uma plataforma para a integração e montagem dos lançadores e da sua carga útil. O edifício é composto por duas salas de processamento vertical de 26,8 x 28 x 81,6 metros, cada uma equipada com uma plataforma móvel de 13 andares e uma grua de carga de 50 t. As duas salas permitem o processamento simultâneo de dois veículos lançadores. Na época da construção, dizia-se ser o edifício de betão armado de piso único mais alto do mundo, com o tecto de betão armado mais alto do mundo (86,1 metros acima do solo) e mais pesado (13.000 t).
O Centro de Controle de Lançamento (LCC) localizado ao lado do BLS monitoriza e coordena a campanha de lançamento. O centro é dividido em quatro salas funcionais: a Sala de Controle do Veículo de Lançamento, a Sala de Controle da Cápsula Espacial, a Sala de Comando de Exame e Lançamento e o Centro de Comunicações.
| Lançamento | Veículo | Plataforma | Data | Hora (UTC) | Carga |
| 2025-180 | Lijian-1 (Y10) | LC43/130 | 19/Ago/25 | 07:33 | Haishao-2 “Zhongke-05”
Duogongneng Shiyan-2 01 Duogongneng Shiyan-2 02 Duogongneng Shiyan-2 03 Tianyan-26 ThumbSat-1 ThumbSat-2 |
| 2025-197 | Gushenxing-1 (Y15) | LC43/95A | 05/Set/25 | 11:39 | Kaiyun-1
Yuxing-1 08 Yunyao-1 27 |
| 2025-209 | Chang Zheng-2C/YZ-1S (Y87?/Y19?) | LC43/94 | 16/Set/25 | 01:06 | Weixing Hulianwang JSW 07 01
Weixing Hulianwang JSW 07 02 Weixing Hulianwang JSW 07 03 Weixing Hulianwang JSW 07 04 |
| 2025-219 | Chang Zheng-4C (Y45) | LC43/94 | 26/Set/25 | 19:40 | Fengyun-3H |
| 2025-227 | Chang Zheng-2D (Y92) | LC43/94 | 13/Out/25 | 10:00 | Shiyan-31 |
| 2025-234 | Lijian-1 (Y8) | LC43/130 | 19/Out/25 | 03:33 | Zhongke-03
Zhongke-04 PRSC-HS1 |
| 2025-246 | Chang Zheng-2F/G (Y21) | LC43/91 | 31/Out/25 | 15:44:46,441 | Shenzhou-21 |
| 2025-256 | Lijian-1 (Y9) | LC43/130 | 09/Nov/25 | 03:32 | Chutian-2 01
Chutian-2 02 |
| 2025-F06 | Gushenxing-1 (Y19) | LC43/95A | 10/Nov/25 | 04:02:53 | Jilin-1 Gaofen 04C
Jilin-1 Pingtai 02A04 Zhongbei Daxue-1 |
| 2025-266 | Chang Zheng-2C (Y88?) | LC43/94 | 19/Nov/25 | 04:01 | Shijian-30A
Shijian-30B Shijian-30C |
Imagens: Internet Chinesa